Перейти к основному содержанию

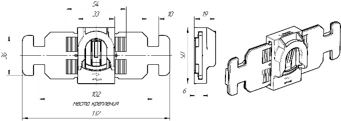
Кронштейн РИВ.014.010

фото
фото
фото
фото
фото
фото
фото
фото
фото
фото

Кронштейн РИВ.014.010